とある科学の備忘録

とある科学の備忘録

CやPythonのプログラミング、Arduino等を使った電子工作をメインに書いています。また、木製CNCやドローンの自作製作記も更新中です。たまに機械学習とかもやってます。

シーケンス制御

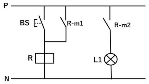
【シーケンス制御】電磁リレーを使って自己保持回路 ~データを記憶する~

1.自己保持回路とは? 2.回路図 3.動作原理 ➀スイッチを押したとき ②スイッチを離す 4.実験! 5.動かしてみる 1.自己保持回路とは? 前回、リレーを使ってLEDの点灯・点滅の制御を行いました。 shizenkarasuzon.hatenablog.comですが、前回の回路でLEDを点と…

【シーケンス制御】シーケンス図の書き方

前回、シーケンス制御を使って2つのLEDの点灯・点滅を制御しました。 shizenkarasuzon.hatenablog.com この記事では、前回の回路を例にして、「シーケンス図」の書き方について簡単に説明します。 シーケンス図の書き方 (1)電源について (2)電磁リレーの…

【シーケンス制御】シーケンス制御とは?

シーケンス制御という制御方法があります。 この記事では、シーケンス制御の基礎知識について説明します。 シーケンス制御とは? 条件制御 論理回路とは シーケンス制御の実装 リレーシーケンス PLC 参考文献 シーケンス制御とは? シーケンス制御(シーケン…

【シーケンス制御】電磁リレーについて

シーケンス制御でよく使用される「電磁リレー」ですが、どのようか構造なのでしょうか? 1.電磁リレーとは? 電磁リレーとは、このような外観の部品です。 名前の通り、電磁石がこの箱の中に入っています。そして、その電磁石をON/OFFすることで、磁力の力で…

【シーケンス制御】電磁リレーを使ってみる

前回、電磁リレーの動作原理について説明しました。 この記事では、実際に電磁リレーを使って回路を作ってみます。 1.この記事ですること 2.実験内容 3.解説(動作内容) (1)スイッチがOFFのとき (2)スイッチがONのとき 4.回路を組む 5.実験 (1)スイッ…